工期优化
什么是工期优化
(1)工期优化是压缩计算工期,以达到要求工期目标,或在一定约束条件下使工期最短的过程。
(2)工期优化一般通过压缩关键工作的持续时间来达到优化目标。
(3)在优化过程中,要注意不能将关键工作压缩成非关键工作,但关键工作可以不经压缩而变成非关键工作。
(4)在优化过程中,当出现多条关键线路时,必须将各条关键线路的持续时间压缩同一数值。否则,不能有效地将工期缩短。
工期优化的步骤和方法
(1)找出网络计划中的关键线路并求出计算工期。一般可用标号法确定出关键线路及计算工期。
(2)按要求工期计算应缩短的时间(ΔT)。应缩短的时间等于计算工期与要求工期之差。即
ΔT = Tc − Tr
(3)选择应优先缩短持续时间的关键工作(或一组关键工作)。选择时应考虑下列因素:
1)缩短持续时间对质量和安全影响不大的工作;
2)有充足备用资源的工作;
3)缩短持续时间所需增加的费用最少的工作。
(4)将应优先缩短的关键工作压缩至最短持续时间,并找出关键线路。若被压缩的关键工作变成了非关键工作,则应将其持续时间再适当延长,使之仍为关键工作。 (5)若计算工期仍超过要求工期,则重复以上步骤,直到满足工期要求或工期已不能再缩短为止。
(6)当所有关键工作或部分关键工作已达最短持续时间而寻求不到继续压缩工期的方案但工期仍不能满足要求工期时,应对计划的原技术、组织方案进行调整,或对要求工期重新审定。
例如,已知网络计划如图-1所示,
图1 某网络计划图
图中箭线下方为正常持续时间和括号内为最短持续时间,箭线上方括号内为优选系数,优先系数愈小愈应优先选择,若同时缩短多个关键工作,则该多个关键工作的优先系数之和(称为组合优选系数)最小者亦应优先选择。设要求工期为15天,试对其进行工期优化。
解:(1)用标号法求出正常持续时间下的计算工期和关键线路。如图-2所示。
图2 初始网络计划图
(2)应缩短时间:ΔT = Tc − Tr = 19 − 15 = 4天。
(3)应优先缩短优选系数小的关键工作A的持续时间。
(4)将关键工作A压至最短持续时间3天,用标号法求出关键线路,如图-3所示。
图3 A缩短至最短持续时间的网络计划
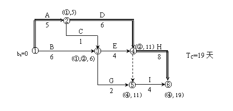
此时关键工作A压缩后成了非关键工作,说明有无效压缩,故需将其松弛,使之仍成为关键工作。现将其松弛至4天,找出关键线路如图-4,
图4 第一次压缩后的网络计划
此时A成了关键工作。图中有两条关键线路,即ADH和BEH。此时计算工期
Tc = 18天,ΔT1 = 18 − 15 = 3天。
(5)由于计算工期仍大于要求工期,故需继续压缩。如图-4所示,有五个压缩方案:
图4 第一次压缩后的网络计划
1)压工作A、B,组合优选系数为2+8=10;
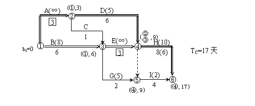
2)压工作A、E,组合优选系数为2+4=6;3)压工作D、E,组合优选系数为 5+4=9;4)压工作D、B,组合优选系数为5+8=13;5)压工作H,优选系数为10。决定压缩优选系数最小者,即压工作A、E。这两个工作均压缩至最短持续时间3天。用标号法找出关键线路和计算工期,如图-5所示。
图5 第二次压缩后的网络计划
此时关键线路仍为ADH和BEH。计算工期Tc = 17天,ΔT2 = 17 − 15 = 2天。
由于工作A和E已达最短持续时间,不能再压缩,可假定它们的优选系数为无穷大。
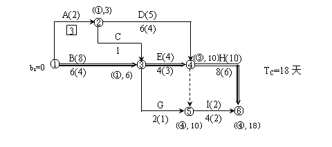
(6)由于计算工期仍大于要求工期,故需继续压缩。在前述的五个压缩方案中,前三个方案的优选系数已变为无穷大,现只有压工作B、D方案,优选系数为13;压工作H方案,优选系数为10。故采取压缩工作H的方案,将工作H压缩2天。则计算工期 天,等于要求工期的优化方案,如图-6所示。
图6 优化的网络计划
参考文献
- 《建设监理》第五章.建设工程进度控制.中央广播电视大学
免责声明:本内容来源于第三方作者授权、网友推荐或互联网整理,旨在为广大用户提供学习与参考之用。所有文本和图片版权归原创网站或作者本人所有,其观点并不代表本站立场。如有任何版权侵犯或转载不当之情况,请您通过400-62-96871或关注我们的公众号与我们取得联系,我们将尽快进行相关处理与修改。感谢您的理解与支持!







请先 登录后发表评论 ~