柔性自动化
柔性自动化(Flexible Automation)
什么是柔性自动化[1]
柔性自动化是机械技术与电子技术相结合,即机电一体化的新一代自动化,它的加工程序是灵活可变的,也称可变编程自动化。
柔性自动化的兴起[2]
随着科学技术的发展,人类社会对产品的功能与质量的要求越来越高,产品更新换代的周期越来越短,产品的复杂程度也随之增高,传统的大批量生产方式受到了挑战。这种挑战不仅对中小企业形成了威胁,而且也困扰着国有大中型企业。因为,在大批量生产方式中,柔性和生产率是相互矛盾的。众所周知,只有品种单一、批量大、设备专用、工艺稳定、效率高,才能构成规模经济效益;反之,多品种、小批量生产,设备的专用性低,在加工形式相似的情况下,频繁调整工夹具,工艺稳定难度增大,生产效率势必受到影响。为了同时提高制造工业的柔性和生产效率,使之在保证产品质量的前提下,缩短产品生产周期,降低产品成本,最终使中小批量生产能与大批量生产抗衡,柔性自动化系统便应运而生。
自从1954年美国麻省理工学院第一台数字控制铣床诞生后,20世纪70年代初柔性自动化进入了生产实用阶段。几十年来,从单台数控机床的应用逐渐发展到加工中心、柔性制造单元、柔性制造系统和计算机集成制造系统,使柔性自动化得到了迅速发展。
柔性自动化的内容[3]
柔性自动化,产生于20世纪50年代,是机械技术与电子技术相结合的自动化。以硬件为基础,以软件为支持,通过改变程序即可实现所需的控制,因而是柔性的,易于变动,实现制造过程的柔性和高效率,适应于多品种、中小批量的生产。包括数控机床、加工中心、工业机器人、柔性制造单元、柔性制造系统等。
(一)数控机床
数控机床(Numerical control machine tools,NC)是用数字代码形式的信息(程序指令),控制刀具按给定的工作程序、运动速度和轨迹进行自动加工的机床。数控机床对零件的加工过程,是严格按照加工程序所规定的参数及动作执行的。它是一种高效能自动或半自动机床,与普通机床相比,加工对象改变时,一般只需要更改数控程序,体现出很好的适应性,可大大节省生产准备时间。数控机床本身的精度高、刚性大,可选择有利的加工用量,生产率高,一般为普通机床的3倍~5倍,对某些复杂零件的加工,生产效率可以提高十几倍甚至几十倍。采用数控机床有利于向计算机控制与管理生产方面发展,为实现生产过程自动化创造了条件。
(二)加工中心
加工中心(Machining center,MC)是在一般数控机床的基础上增加刀库和自动换刀装置而形成的一类更复杂但用途更广、效率更高的数控机床。由于具有刀库和自动换刀装置,就可以在一台机床上完成车、铣、镗、铰、攻螺纹、轮廓加工等多个工序的加工。因此,加工中心机床具有工序集中,可以有效缩短调整时间和搬运时间,减少在制品库存,加工质量高等优点。加工中心常用于零件比较复杂,需要多工序加工,且生产批量中等的生产场合。
现代的加工中心已向多坐标、多工种、多面体加工和可重组(更换主轴箱等部件)等方向发展,如车铣加工中心、铣镗磨加工中心、五面体加工中心、和五坐标(多坐标)加工中心等,数控系统也向开放式、分布式、适应控制、多级递阶控制、网络化和集成化等方向发展,因此数控加工不仅可用于单件、小批生产自动化,同时也可用于单一产品大批量生产的自动化。
(三)柔性制造单元
柔性制造单元(Flexible manufacturing cell,FMC)是一个可变加工单元,由单台计算机控制的加工中心或数控机床、环形(圆形、角形或长圆形等)托盘输送装置或机器人所组成,采用切削监视系统实现自动加工,不停机更换工件进行连续生产(图1)。它是组成柔性制造系统的基本单元。
柔性制造单元比单台数控机床或加工中心的柔性大,可以实现更多品种的配套加工。据日本的实践表明,柔性制造单元一般每天可完成21.3种零件的加工,完成装配产品配套用50种零件的加工时间为2.34天,而采用加工中心完成同样任务,每天只能完成2.09种,完成50种零件的配套则要23.9天;柔性制造单元可实现24h连续运转,加工中心一般只能工作18h,柔性制造单元的运转工作利用率是MC的1.5倍,完成相同任务的柔性制造单元投资可比加工中心系统投资节省17.34%,操作工人的数量只有MC的82.67%。
与柔性制造系统相比,柔性制造单元的主要优点是:占地面用较小,系统结构不很复杂,成本较低,投资较小,可靠性较高,使用及维护均较简单。因此,柔性制造单元是柔性制造系统的主要发展方向之一,深受各类企业的欢迎。
(四)柔性制造系统
1.柔性制造系统的概念、特点和适应范围
柔性制造系统(Flexible manufacturing system,FMS)是一个制造系统,由多台(至少两台)加工中心或数控机床、自动上、下料装置、储料和输送系统等组成,没有固定的加工顺序和节拍,在计算机及其软件系统的集中控制下,能在不停机调整的情况下更换工件和工夹具,实现加工自动化,在时间和空间(多维性)上都有高度的柔性,是一种计算机直接控制的自动化可变加工系统。
与传统的刚性自动生产线相比,它有以下突出的特点:
(1)具有高度的柔性,能实现多种不同工艺要求不同“类”的零件加工,进行自动更换工件、夹具、刀具和自动装夹,有很强的系统软件功能。
(2)具有高度的自动化程度、稳定性和可靠性,能实现长时间的无人自动连续工作(如连续24h工作)。
(3)提高设备利用率,减少调整、准备终结等辅助时间。
(4)具有高生产率。
(5)降低直接劳动费用,增加经济收益。
柔性制造系统的适应范围很广,如图2所示,如果零件生产批量很大而品种数较少,则可用专用机床线或自动生产线;如果零件生产批量很小而品种较多,则适于用数控机床或通用机床;在两者中间这一段,均是适于用柔性制造系统来加工。
2.柔性制造系统的类型
柔性制造系统是一个统称,其类型很多,可分为柔性制造单元、柔性制造线、柔性生产线等,前已论述了柔性制造单元,现分述柔性制造线和柔性生产线。
柔性制造线(Flexible ManufacturingLine,FML)是由两台或两台以上的加工中心、数控机床或柔性制造单元所组成,配置有自动输送装置(有轨、无轨输送车或机器人)、工件自动上、下料装置(托盘交换或机器人)和自动化仓库等,并有计算机递阶控制功能、数据管理功能、生产计划和调度管理功能,以及实时监控功能等,如图3所示,它是典型的柔性制造系统,通常所说的柔性制造系统就是指的这种类型。
柔性生产线(Flexible Transmission Line,FTL)是由若干台加工中心组成,但物料系统不采用自动化程度很高的自动输送车、工业机器人和自动化仓库等,而是采用自动生产线所用的上、下料装置,如各种送料槽等,不追求高度的柔性和自动化程度,而取其经济实用。这种柔性制造系统又称之为准柔性制造系统。
3.柔性制造系统的组成和结构
柔性制造系统的组成如图4所示,由物质系统、能量系统和信息系统三部分组成,各个系统又由许多子系统构成。
柔性制造系统的主要加工设备是加工中心和数控机床,目前以铣镗加工中心(立式和卧式)和车削加工中心占多数,一般多由3台~6台组成。柔性制造系统常用的输送装置有输送带、有(无)轨输送车、行走式工业机器人等,也可用一些专用输送装置。在一个柔性制造系统中可以同时采用多种输送装置形成复合输送网。输送方式可以是线形、环形和网形。柔性制造系统的储存装置可采用立体仓库和堆垛机,也可采用平面仓库和托盘站。托盘是一种随行夹具,其上装有工件夹具,工件装夹在工件夹具上,托盘、工件夹具和工件形成一体,由输送装置输送,托盘装夹在机床的工作台上。托盘站还可起暂时存储作用,配置在机床附近,起缓冲作用。仓库可分为毛坯库、零件库、刀具库和夹具库等,其中刀具库有集中管理的中央刀具库和分散在各机床旁边的专用刀具库两种类型。柔性制造系统中除主要加工设备外,还应有清洗工作站、去毛刺工作站和检验工作站等,它们都是柔性工作单元。
柔性制造系统具有制造不同产品的特有柔性,不需要改变系统硬件结构,能够生产不同的产品,从而适应市场变化,缩短新品研发周期;借助于计算机,柔性制造系统加工辅助时间大为减少,可以显著提高机床利用率,可达75%~90%;由于工序合并,所需装夹次数和使用机床数量减少,降低设备成本,缩减系统在制品库存量,工作循环时间减少,生产周期缩短;系统的控制、管理和传输都是在计算机下进行的,使得操作人员也减少。
根据柔性制造系统的统计数据表明,采用FMS可以降低加工成本50%,减少生产面积40%,提高生产率50%,过程的在制品可减少80%。柔性制造系统的主要缺点是:系统投资大,投资回收期长;系统结构复杂,对操作人员的要求很高;结构复杂使得系统的可靠性较差。
(五)成组技术
成组技术从20世纪50年代出现的成组加工,到60年代发展为成组工艺,出现了成组生产单元和成组加工流水线,其范围也从单纯的机械加工扩展到整个产品的制造过程。70年代以后,成组工艺与计算机技术、数控技术、相似论、方法论、系统论等的结合,就发展成为成组技术。
成组技术其实质是将中小批量生产的零件,按其结构和工艺的相似性,划分成组,相当于扩大了零件的批量,因而可以采用近似于大批量生产的工艺技术,达到提高生产率和经济效益的目的。成组技术是应用系统工程的观点,把多品种、中小批生产中的设计、制造和管理等方面,作为一个生产系统的整体,统一协调生产系统的各个方面,全面应用成组技术,以取得最优的综合经济效益。成组技术的应用,在产品设计方面,可以促进零部件设计的标准化,避免不必要的重复设计和多样化设计;在产品制造方面,可以促进工艺设计的标准化、规范化和通用化,减少重复劳动,实施成组加工和应用成组夹具,提高生产效率和系统的柔性;在生产管理方面,可以缩短生产周期,简化作业计划,减少在制品数量,提高人员、设备的利用率,提高质量和降低成本。
1.基本原理
成组技术是一门涉及多种学科的综合性技术,其理论基础是相似性,核心是成组工艺,在现阶段更有计算机辅助成组技术的特色。
图5表示了成组工艺的基本原理。成组工艺是把尺寸、形状、工艺相近似的零件组成一个个零件族(组),按零件族制订工艺进行生产制造,这样就扩大了批量,减少了品种,便于采用高效率的生产方法,从而提高了劳动生产率,为多品种、小批量生产经济效益的提高开辟了一条途径。
零件在几何形状、尺寸、功能要素、精度、材料等方面的相似性为基本相似性,以基本相似性为基础,在制造、装配等生产、经营、管理等方面所导出的相似性,称为二次相似性或派生相似性,因此,二次相似性是基本相似性的发展,具有重要的理论意义和实用价值。
成组工艺的基本原理表明,零件的相似性是实现成组工艺的基本条件。工艺相似性是指可采用相同的工艺方法进行加工,采用相似的夹具进行装夹,采用相似的量仪进行检测等。零件分类编码系统是实现成组工艺的重要工具。成组技术就是揭示和利用基本相似性和二次相似性,使工业企业得到统一的数据和信息,变单件小批生产为成批生产。
2.成组技术实施和生产组织形式
1)成组工艺的实施步骤
成组工艺的实施步骤如下:
(1)产品零件按零件分类编码系统进行分组分类。
(2)应用计算机辅助工艺过程设计制订零件的成组加工工艺过程。
(3)设计成组工艺装备,如成组夹具、成组刀具、成组量具等。
(3)设计成组工艺装备,如成组夹具、成组刀具、成组量具等。
(4)建造成组加工生产线,设计成组输送装置、成组装卸装置、仓库等。
2)成组工艺的生产组织形式
成组工艺的生产组织形式基本上可分为三大类,如图6所示。
(1)独立的成组加工机床或成组加工柔性制造单元主要用于形状较简单、相似程度较大,能在一台机床上完成的零件,如图6(a)。
(2)成组加工和一般加工的混合生产线主要用于零件较复杂,相似程度较小,需要多台机床才能完成全部工序的情况,其中能进行成组加工的就用成组加工机床加工,不能进行成组加工的则用普通机床加工,甚至可用专用机床加工,因此形成混合生产线(工段),如图6(b)。
(3)成组加工生产线或成组加工柔性制造系统这是成组加工的最高组织形式,零件的全部工序都进行成组加工,如图6(c)。
3.零件的分类编码系统
(1)零件分类编码系统概念和作用。零件的分类编码就是用数字来描述零件的几何形状、尺寸和工艺特征,也就是零件特征的数字化。
在成组技术中,零件分类编码系统的作用不是为了完整地描述零件的特征,而是为了进行零件的分类成组,形成零件族,以便进行成组加工。因此,零件分类编码系统中的信息只要能够满足描述零件成组分类的需要就够了,要想从零件分类编码来反求完整的零件形状、尺寸、公差等是不可能的。
(2)零件分类编码系统所要描述的零件特征及其提取。零件分类是根据零件的特征来进行的,这些特征一般可分为三个方面:
①结构特征,零件的几何形状、尺寸大小、结构功能、毛坯类型等。
②工艺特征,零件的毛坯形状、加工精度、表面粗糙度、加工方法、材料、定位夹紧方式、选用机床类型等。
③生产组织与计划特征,加工批量、制造资源状况、工艺路线跨车间、工段、厂际协作等情况。
(3)零件分类编码系统的结构。零件的特征用相应的标志表示,这些标志可由分类编码系统中的相应环节来描述。根据分类环节的数量,零件的分类编码系统可分为多级和单级两大类。目前多采用多级分类编码系统,各级又由多个分类环节来描述。
零件的编码是一种数学描述,每个零件都有识别码,它就是零件的件号或图号,为了区分,零件的识别码是唯一的,不能重复。在零件分类编码中,零件又有分类码,它是在推行成组技术时才提出的,它是可以重复的,相同分类码的零件表示了它们是相似的,可以归为一类,即一个零件族(组)。
①总体结构。零件分类编码系统大多采用表格形式,由横向分类环节和纵向分类环节两部分组成。
横向分类环节称为码位,主要用于描述零件的类型、形状、尺寸、工艺要素、材料、精度、毛坯等宏观信息分类,其位数在4~80之间,常用的为9~21位。码位越多,可描述的内容越多越细致,但结构就越复杂。
纵向分类环节称为码域或码值,主要用于描述宏观信息中分层次的更细致的结构信息,一般为10位,用0~9数字表示,具体位数按需要而定。
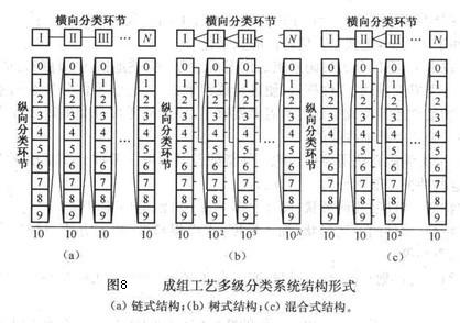
从编码的总体结构形式来看,可分为整体式、主辅码组合式和子系统组合式3种,如图7所示。

链式结构横向分类环节之间的关系是链式的,若纵向分类环节为10个,则每个横向分类环节有10个纵向分类环节,总的分类环节数=横向分类环节数×纵向分类环节数。横向分类环节用数字表示,它们之间的关系用符号“—”表示。
树式结构横向分类环节之间的关系是树式的。若纵向分类环节是10个,则横向分类环节的第Ⅰ位有10个纵向分类环节,由于每个纵向分类环节又有10个下一位纵向分类环节,故横向分类环节的第Ⅱ位就有102个纵向分类环节,依此类推,第N位就有10N个纵向分类环节。总的分类环节数
,式中M为纵向分类环节数,N为横向分类环节数。横向分类环节之间的关系用符号“<”表示。
混合式结构是链式和树式结构的混合,即有些横向分类环节的位间关系是链式的,有些是树式的,视描述特征的标志数量而定。由于树式结构的分类环节太多,链式结构的分类环节在某些位又不够用,故采用混合式结构较多。
零件分类编码系统中每个码位均有确切的定义,称之为固定码。
当有新产品增加时,可能会出现码位不能描述的情况。为了适应多品种产品的发展,而又不必重构零件分类编码系统,因此提出了柔性码的概念,即在码位中设定几位柔性码备用,可根据新产品的信息需求来定义,柔性码经定义后也是确切的,但可以随产品的变化而重新定义。
③码域信息排列方式。通常纵向分类环节为10项,即码域内的项数为0~9,码域内的信息排列方式通常有全组合排列法、选择排列法和选择组合排列法三种,分别由表1、表2和表3所示。
全组合排列法仅能容纳三种不同的信息,通常称为“三要素全组合”排列,这种方法规律性强,便于记忆,含义确切,结构严密,但安排信息量有限。
选择排列法是根据零件信息的特点和出现的概率,有选择性地进行组合和排列。这种方法比较灵活,可在有限码域项数内安排较多信息。其不足之处是不能同时表示在同一码位内不同码域项的信息,如表中,若零件外部形状要素同时有功能槽和螺纹,则不能表示。因此,这种排列方法又规定了“后项包括前项”或“按项号最大”的特征来编码,但易于出现多义性、不确切、不严密等缺点。
选择组合排列法是在同一码位内选择5种信息,其中的3种信息不能同时出现在同一码域项上,这种方法不会使特征代码产生“多义性”,码位内各项信息含义明确,但信息种数比选择排列法少。
(4)常用机械加工零件分类编码系统。常用机械加工零件分类编码系统有:在20世纪50年代末期捷克斯洛伐克开发的VUOSO系统、60年代初联邦德国H.Opitz教授领导开发的十进制九位代码的混合结构OPITZ系统、日本通产省组织开发的十进制21位代码的混合结构KK-3系统以及我国1986年机械工业部组织开发的JLBM-1系统等。
JLBM-1零件分类编码系统是一个十进制十五代码的主辅码混合结构系统,其基本结构如图9所示。在横向分类环节上,分为零件名称类别码、形状及加工码、辅助码,零件名称类别码表示了零件的功能名称;辅助码表示了与设计和工艺有关的信息。
该系统横向分类环节数适中,结构简单明确,规律性强,便于理解和记忆;系统力求能够满足在机械行业中各种不同产品零件的分类,因此在形状及加工码上有广泛性;系统吸收了KK-3系统的零件功能名称分类标志,有利于设计部门使用。但却将与设计较密切的一些信息放到辅助码中,从而分散了设计检索的环节,影响了设计部门的使用;系统只在横向分类环节的第Ⅰ、Ⅱ位间为树式结构,其余均为链式结构,系统存在标志不全的现象,如一些常用的热处理组合在系统中无反映。该系统是一套通用零件分类编码系统,适于中等及中等以上规模的多品种、中小批量生产的机械厂使用,为产品设计、制造工艺和生产管理等方面开展成组技术提供了条件。
4.成组工艺过程设计
成组工艺过程设计是在零件分类成组的基础上进行的,基本上有四种方法。
(1)典型零件工艺法。在一个零件族(组)中,选择其中一个能包含这组零件全部加工表面要素的零件作为该族(组)的代表零件,称之为典型零件,或称之为样件,制定典型零件的工艺过程,即为该零件族(组)的成组工艺过程,再由成组工艺过程经过删减等处理产生该族(组)各个零件的具体工艺过程。
(2)复合零件工艺法。复合零件法的思路是先按各零件族(组)设计出能代表该族(组)零件特征的复合零件,制定复合零件的工艺过程,即为该零件族(组)的成组工艺过程,再由成组工艺过程经过删减等处理产生该族(组)各个零件的具体工艺过程。
(3)典型工艺路线法。从一个零件族(组)中选择一个零件的工艺路线,它能够包含所有零件的工艺路线,就以它作为该零件组的典型成组工艺。
(4)复合工艺路线法。当不能直接从零件族(组)中各个零件的工艺路线选择产生一个能包含全组零件的工艺路线,则可采用复合工艺路线法。零件分类成组后,先制定出零件族(组)中各个零件的工艺路线,将它们复合起来,形成一个假想的工艺路线,它最复杂、全面,包含了该组所有零件的工艺路线,即为成组工艺路线。
柔性自动化的主要措施和效益[4]
采用柔性自动化,可以提高制造系统的柔性和生产率,并获得经济效益。实现这一目标的主要措施如下:
(1)刀具和工件的自动输送和供给。
(2)借助计算机实现机床的合理利用和作业调度。
(3)制造过程的计算机监控。
(4)机床及输送系统的预防性维护和检修。通过以上措施,可以实现:
1)提高机床利用率;
2)在不停机条件下改变加工任务;
3)多机床看管;
4)人机分离;
5)夜班无人运行。
其结果导致:
①可按照装配所需的批量进行加工,从而减少在制品和降低存储费用;
②缩短生产周期,实现按交货日期组织生产;
③充分利用刀具寿命,减少刀具费用;
④降低产品的成本;
⑤对市场作出快速响应。
相关条目
- 刚性自动化
参考文献
免责声明:本内容来源于第三方作者授权、网友推荐或互联网整理,旨在为广大用户提供学习与参考之用。所有文本和图片版权归原创网站或作者本人所有,其观点并不代表本站立场。如有任何版权侵犯或转载不当之情况,请您通过400-62-96871或关注我们的公众号与我们取得联系,我们将尽快进行相关处理与修改。感谢您的理解与支持!







请先 登录后发表评论 ~